Tuberías sanitarias

Todo buque tiene las correspondientes líneas de tuberías sanitarias y se conocen por ese nombre aquellas que tienen por objeto permitir la circulación de agua potable para beber, cocinar, lavar ropa, lavar utensilios de cocina y aseo de la tripulación, a su vez también son consideradas líneas sanitarias las correspondientes a desagües de fregaderos, lavabos, duchas, sumideros y descargas de WC.
En los buques hay habilitados tanques suficientes para cubrir holgadamente todos los servicios durante el tiempo que puede durar un viaje. Hoy en día se incluyen en los barcos plantas potabilizadoras de gran capacidad purificadora y también tanques sépticos, a los que van a parar (cuando el buque se encuentra en puerto o en cualquier circunstancia que lo requiera) todas las aguas sucias incluidas las de WC, que son bombeadas hacia el exterior cuando el buque está alta mar.
En los submarinos, durante la segunda guerra mundial y dado su tamaño reducido había una serie de tanques habilitados para llevar agua potable, agua que al principio estaba muy racionada y que se empleaba preferentemente y salvo raras excepciones para beber y cocinar, lavándose los utensilios de cocina y usándose para el aseo personal de la tripulación agua de mar el avance de las tecnologías permitió la construcción de plantas potabilizadoras rudimentarias en las cuales se evaporaba el agua de mar con ayuda de resistencias eléctricas. El agua evaporada se condensaba y se conducía hacia un tanque para ser usada como agua potable.

En ocasiones se usaban como tanques para agua potable los tanques de compensación de torpedos pero su duración estaba limitada al lanzamiento del primer torpedo momento en que el agua dulce  se contaminaba al introducir agua de mar para llevar a cabo dicha compensación.


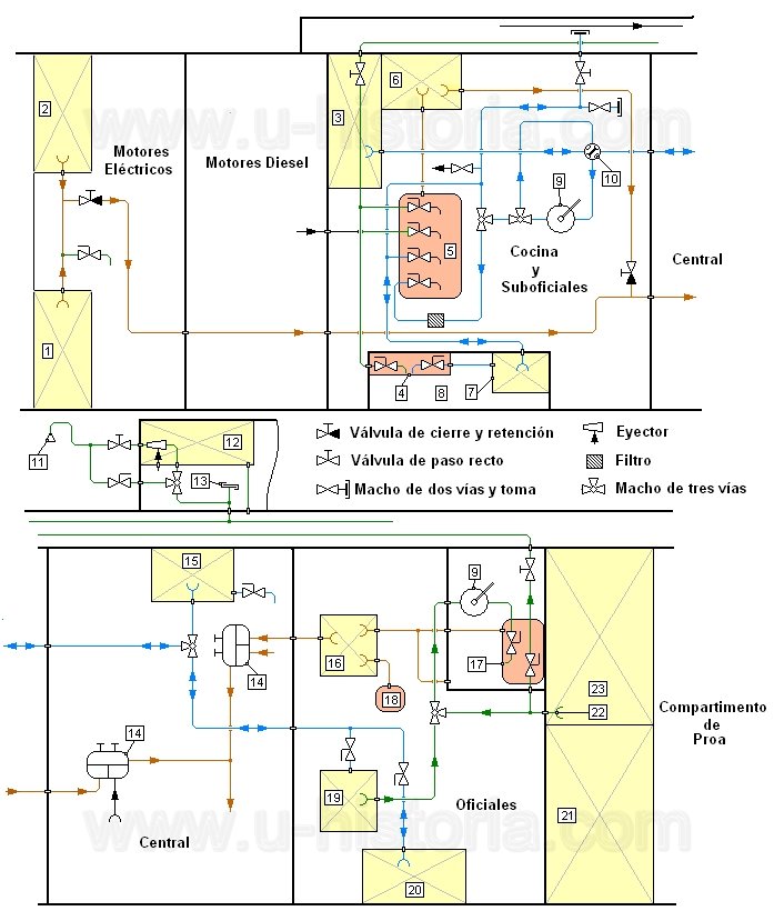
Esquema general

En el esquema siguiente vemos como estaban situados los tanques usados como sanitarios y los tanques de compensación de torpedos con los correspondientes circuitos de llenado y aspiración.

Como dato inicial decir que los colores representan las líneas de llenado y de circulación de agua:

  • En azul están las líneas de agua potable para beber y cocinar.
  • En naranja tenemos las líneas de agua sucia o contaminada pero en ella vemos incluida una línea con un grifo (tanques de compensación de popa en cuya línea vemos dicho grifo que es usado para extraer agua dulce hasta que se llena el tanque de agua de mar para compensar el peso del torpedo lanzado).
  • En verde las líneas para el aseo de la tripulación y lavado de utensilios de cocina la circulación de agua la determinan las flechas y en el caso de agua potable depende de que se estén llenando los tanques o se esté sacando agua de los mismos. Los circuitos de llenado son de agua potable aunque con esos circuitos se llenan de agua para lavarse algunos tanques

1.- Tanque de compensación de torpedos de popa de estribor, 2.- Tanque de compensación de torpedos de popa de babor, 3.- Tanque de agua potable para beber y cocinar nº 1, 4.- Pileta para lavarse y dos grifos situada dentro del WC de popa, 5.- Fregadero y cuatro grifos situado en la cocina (ver cocina), 6.- Tanque de aguas sucias nº 1, como se puede ver a él desagüa el fregadero de la Cocina, 7.- Tanque de agua dulce para aseo de tripulación y lavar utensilios, 8.- Compartimento del WC de popa, 9.- Bombillos manuales para bombear el agua, 10.- Válvula de cuatro vías a escuadra, dos a dos para direccional el agua hacia o desde los tanques, 11.- Ducha desmontable situada en cubierta, 12.- Tanque de gravedad para agua fresca, 13.- Toma para conectar una manguera, 14.- Cajas de válvulas del circuito de drenaje de aguas sucias o no aprovechables, 15.- Tanque de agua para beber y cocinar situado en la Central, 16.- Tanque de aguas sucias nº 2 , como se puede ver a él desagüan dos lavabos, uno de compartimento de oficiales y otro del WC de proa además del sumidero del WC de proa, 17.- Lavabo del WC de proa, 18.- Pequeño lavabo, situado en el camarote del comandante que se llenaría con ayuda de una jarra, 19.- Tanque de agua dulce para lavado de utensilios y aseo de tripulación, 20.- Tanque de agua potable para beber y cocinar Nº 3 situado en el compartimento de oficiales, 21.- Tanque de compensación de torpedos de proa a estribor nº 3, 22.- Aspiraciones y/o descargas a tanques 23.- Tanque de compensación de torpedos de proa a babor nº 2.


Agua potable en la Cocina

Descarga hacia el filtro

Por la tubería (3) llega el agua del tanque de agua para beber y cocinar, aspirada por la bomba manual sale por la descarga (1) y sigue la trayectoria de la flecha a traves de la válvula (4) hacia la izquierda donde se encuentra el filtro (2)

Descarga hacia el grifo

Tal y como se ve en la imagen anterior el agua llega por el tubo (3) (que en este caso sería el tubo marcado (7)) pasa a través del macho (5) hacia la aspiración de la bomba (4) al accionar la manilla (3) se aspira e impulsa el agua con el bombillo (2) el agua sale por la descarga (1) y pasando por el macho (9) (marcado (4) en la imagen anterior) llega al filtro (8) (marcado (2) en la foto anterior) para seguir a través de la tubería (9) hacia el grifo de agua para beber y cocinar.
Para un mejor entendimiento se han colocado unas flechas rojas que indican la trayectoria del agua
El macho (5) permite cambiar el tanque desde el cual se aspira el agua y es el que está marcado (10) en el plano general, plano que podéis consultar para haceros una idea aunque la configuración de descarga es diferente


Purificador de agua

Tal y como ya se comentó más arriba los submarinos alemanes de la segunda guerra mundial fueron equipados en su momento con rudimentarios purificadores de agua en los cuales se calentaba el agua de mar llevándola hasta la evaporación el agua evaporada se enfriaba y los elementos sólidos eran de ese modo separados siendo posible usarse el agua así conseguida para cocinar, beber y la limpieza y aseo con agua potable, el circuito funciona como sigue:

El agua de mar llega al tanque (19) a través de la válvula de aspiración de fondo (20),las válvulas de paso recto (7), entre las cuales esta el filtro (3), una vez en el tanque, el agua sigue por el aparato de control de agua de alimentación (18), desde allí va hacia el purificador  pasando por un precalentador, la bomba (12) aspira el agua precalentada  y la introduce en el evaporizador (10), donde se evapora por el efecto del calor de la resistencia (15), el vapor pasa a través del serpentín (9), donde se va licuando ya como agua dulce para ser introducida en el tanque de agua destilada (6) a través del macho de tres vías (7), el agua destilada es bombeada por la aspiración (13) con ayuda de la bomba manual (2), pasa por el filtro (3) y el embudo (4), para a través del macho (5), entrar en el tanque de agua para beber y cocinar (1)

El exceso de agua salada con los residuos es aspirado por la bomba (16) y llevada al tanque de agua salada (17) para ser con posterioridad bombeada al circuito de descarga

1.- Tanque nº 1 de agua para beber y cocinar, 2.- Bomba manual de agua destilada para bombear desde el tanque de agua destilada al tanque de agua para beber, 3.- Filtro, 4.- Embudo para controlar el paso de agua, 5.- Macho de dos vías, 6.- Tanque de agua destilada, 7.- Macho de tres vías paso en T, 8.- Válvulas de cierre paso recto, 9.- Serpentín para destilar el agua, 10.- Evaporador, 11.- Válvula de seguridad, 12.- Bomba centrífuga, 13.- Motor eléctrico para el funcionamiento de la bomba y el purificador, 14.- Engranajes sinfín para tracción del mecanismo del vaporizador y bomba de engranajes, 15.- Resistencia eléctrica, 16.- Bomba de engranajes, 17.- tanque de agua salada, 18.- Mecanismo de control para la circulación de agua salada de alimentación, 19.- Tanque de agua salada de alimentación del circuito, 20.- Aspiración al mar, 21.- Tubería de soplado y limpieza de la aspiración al mar, 22.- Tubería de drenaje y descarga, 23.- Aspiraciones y descargas a tanques

Vista purificador de Agua
1-
Purificador de agua
2-
Tuberías de agua precalentada desde la bomba
3-
Bomba
4-
Motor eléctrico
5-
Manómetro
6-
Bomba de engranajes
7-
Filtro
8-
Nivel

Sistema de descarga de residuos sólidos del WC

Los Uboote iban equipados con uno o dos WC el sistema de descarga de los inodoros era bastante complejo y en alguna ocasión hubo algún accidente por causa de errores en el uso del mismo.
De la taza del WC salían los residuos a un primer depósito intermedio y luego desde éste eran bombeados hacia otro exterior para ser bombeados por tercera vez hacia el mar. La secuencia errónea de los pasos a seguir podían devolver los residuos a la taza y en el peor de los casos también provocar la inundación del WC y producir una situación comprometida.
El WC no se podía usar a partir de los 24 metros de profundidad y su uso estaba restringido durante la inmersión pues se suponía que el bombeo podría producir ruidos que delatasen la posición del submarino.

WC de Proa

Aunque la foto no se ve muy nítida se pueden distinguir algún objeto de un modo más o menos claro.

1-
WC
2-
Bomba manual para agua de aseo
3-
Lavabo
4-
Se distingue una mancha roja que es el volante de la válvula del WC
5-
Se distinguen unas manillas y una mancha roja que posiblemente son palancas y válvulas para desagüe al exterior o entre tanques sépticos
6-

Tubo de desagüe

WC de Popa
1-
WC
2-
Palanca para el circuito de vaciado del WC
3-
Telemando para válvulas no relacionadas con el WC
4-
Tubo de desagüe del WC

El submarino U1206 se supone que resultó hundido tras tener un incidente con el inodoro al ser éste usado unos instantes antes de que se detectara un avión que se acercaba a atacarlo momento en que se llevo a cabo una inmersión de emergencia. El apurado tripulante debió de liarse al verse en una situación un tanto crítica y manipuló los mecanismos de un modo inadecuado.

El esquema que se presenta a continuación es especulativo y sirve para hacer se una idea de los problemas a los que se podía enfrentar un usuario de WC de un U boote.

Esquema del sistema de descarga del tanque séptico 

Una vez usado el WC el tripulante abría la válvula 2 y el contenido se vaciaba en el primer tanque séptico luego cerraba esa válvula 2 y abría las válvulas 3 y 6 de ese modo con ayuda de la bomba 5 pasaba el contenido a un segundo tanque séptico, a continuación cerraba las válvulas 3 y 6 abria las 4 y 7 para volver a bombear hacia el mar, si el proceso era correcto no quedaba ningun resíduo, pero si se equivocaba en la secuencia podía ocurrir que el circuito quedara completamente en comunicación con el mar a través de las válvulas 7 , 6, 4, 3, y 2 ó 1 si se tiene en cuenta que la tubería de descarga era de unos 100 o 125  mm haciendo el cálculo pertinente veriamos que en cuestión de muy pocos segundos podía llenarse el compartimento de agua.
Repito que el esquema es especulativo y orientativo y solo sirve para hacerse una idea de como un error en el proceso podía causar un grave accidente
Esquema adoptado con posterioridad

Esquema sistema seguro de descarga

Atrás
Nota Legal y Copyright ©
Inicio
Contacto